項目(Item) | 說明(Specifications) |
步距角(Step Angle) | 1.8° |
步距角精度(Step Angle Accuracy) | ±5% (整步無負載,full step, no load) |
徑向間隙( Radial Play) | 0.02mm@450 g |
軸向間隙( Axial Play) | 0.08mm@450 g |
最大徑向負載(Max. radial force) | 130N 距法蘭20mm (20mm from the flange) |
最大軸向負載(Max. axial force) | 36N |
介電強度(Dielectric Strength) | 900VAC / 1S |
絕緣電阻(Insulation Resistance) | 100MΩ ,500VDC |
環(huán)境溫度(Ambient Temperature) | -20。C~+50。C |
絕緣等級(Insulation Class) | Class B |
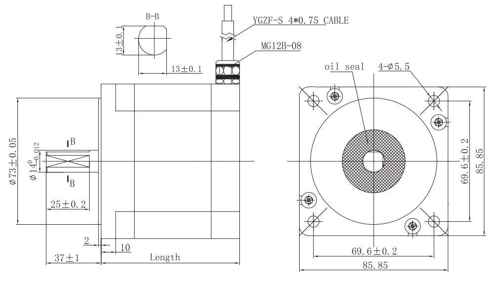
防護等級(IP CODE) | IP65 |
型號(Model No.) | Current /Phase 每相 電流 | Resistance /Phase 每相 電阻 | Inductance /Phase 每相 電感 | Holding Torque 保持 轉矩 | Detent Torque 定位 轉矩 | # of Leads 引出線數 | Rotor Inertia 轉動慣量 | Weight 重量 | Length 機身 長度 |
Single shaft (單出軸) | A | Ω | mH | N.m | N.m | # | g-cm2 | kg | mm |
FL86STH126-7004A-IP65 | 7 | 0.48 | 4.4 | 9 | 0.4 | 4 | 3000 | 3.95 | 127 |
該款電機可以根據客戶需求定制。
The motor can be designed &manufactured with customized request.



Copyright 2023 版權所有 江蘇富興電機技術股份有限公司 蘇ICP備05002292號-1